Получите лучшее ценовое предложение, набрав по номеру +375 (29) 360-03-43 !
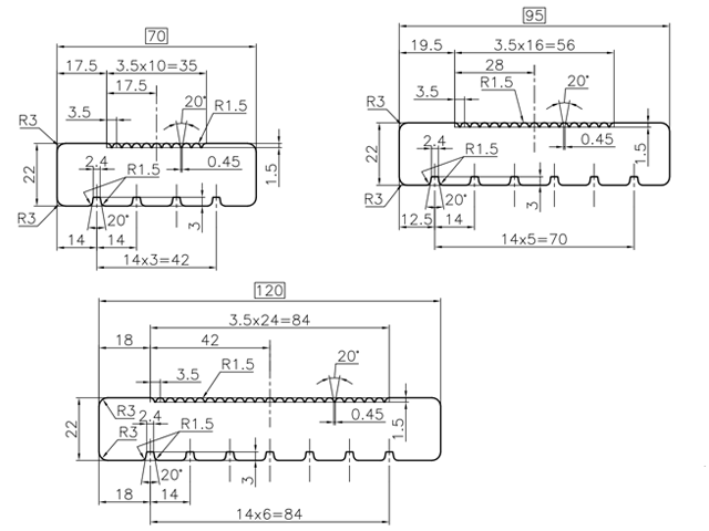
Комплект фрез для изготовления террасной доски с лицевой и обратной стороны на четырехсторонних фрезерных станках. Фрезы оснащены ножами из твердого сплава с механическим креплением. Производитель "Иберус" (Киев). По желанию заказчика размеры могут быть изменены.
