Оборудование:

+375(29)6118385

Инструмент:

+375(29)3600343

Запчасти:

+375(29)5068385
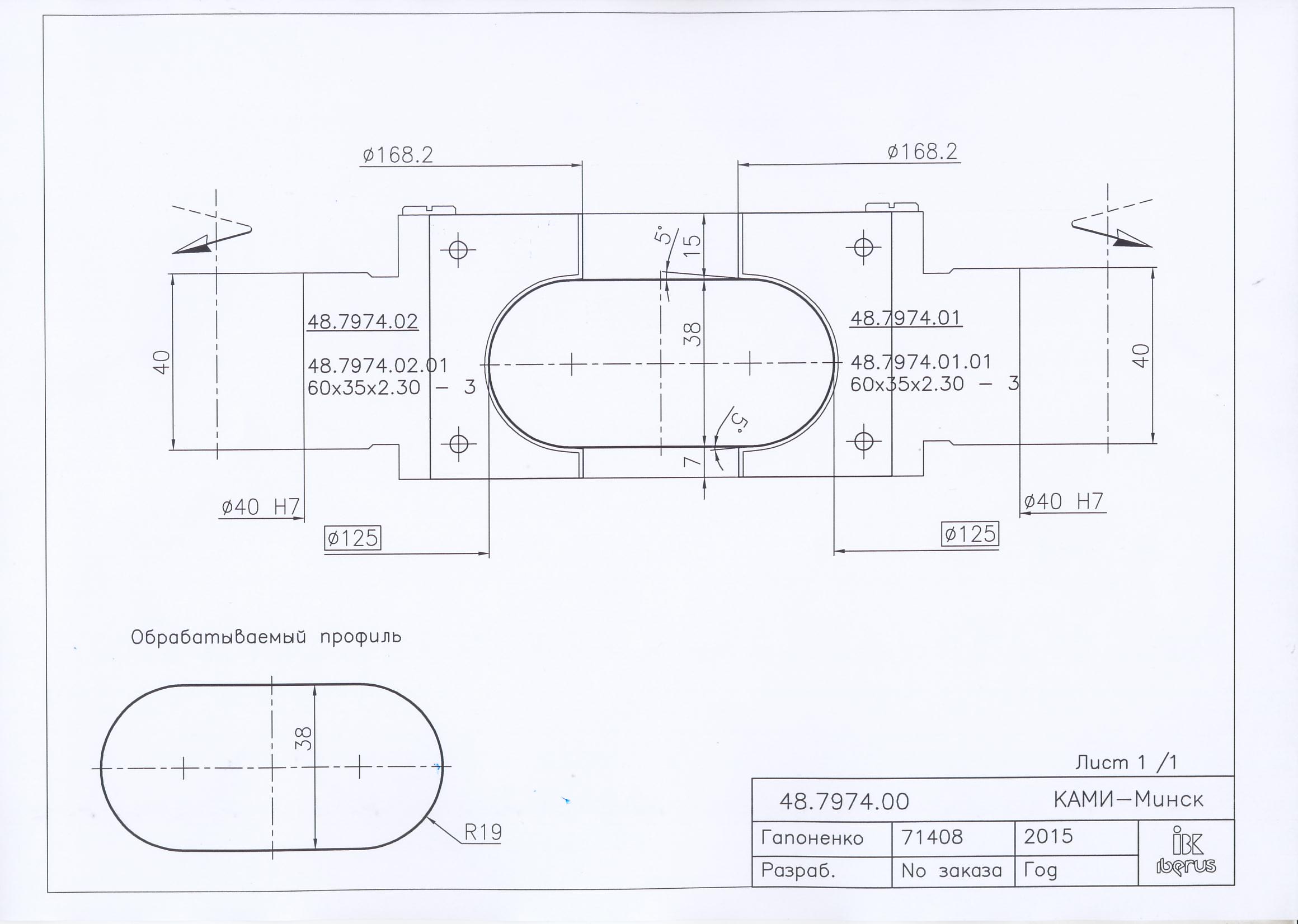
Комплект фрез для радиусной доски 48.7974 Беларусь, Минск КАМИ

Комплект фрез для радиусной доски 48.7974 в Беларуси

Выгодное предложение

Получите лучшее ценовое предложение, набрав по номеру +375 (29) 360-03-43 !

Описание

Комплект фрез 2фр. со вставными ножами (твердый сплав) для обработки радиусной доски R=19 мм производство Иберус –Киев
Наружный диаметр фрез 160 мм, посадочный диаметр 40 мм, высота обработки 40 мм.
Фрезы используются на четырехстороннем станке.
Фрезы для радиусной доски разработаны для превосходного резания мягкой и твердой древесины.
Доска радиусная с полукруглыми кромками активно используется в строительстве, ремонте, в декоративной отделке интерьера.

Технические характеристики: